揚州軒得機械有限公司及生產,銷售,服務為一體的綜合型企業。電液推桿行業的資深廠家,公司生產的液壓推桿廣泛應用于化工,礦山,冶金,電力,工程建設,智能科技等領域。公司產品嚴格執行ISO9001-2000質量管理體系認證標準,確保了產品的質量。本公司所生產的電液推桿產品在同行中處于領先水平,我們從電液推桿的電機選擇,到液壓油缸的密封件(進口),到電液推桿表面的油漆,都進行嚴格把關,大大增加了產品都壽命。
DYTP型平行式電液推桿技術參數(選型表)
選用DYTP型平行式電液推桿您需要了解:
1、上列表中的電機電壓等級為380V,防護等級為IP44,絕緣等級為B級(根據用戶要求可配660/1140或415V,防護等級為IP54、IP55、IP65,或耐高溫(120℃)等特殊電機。
2、表中的電機型號及功率,指該推桿在額定輸出力、額定速度時為最大值的功率,電機功率與推拉力成正比。
3、表中額定速度為常規速度,若推拉速有特殊要求訂貨時需說明,若超出表中行程制造范圍必須在訂貨時說明。
4、若無特殊說明電液推桿使用地點的海拔高度不超過1000m,月平均最高相對濕度不超過90%,電液推桿使用的工作環境溫度為:-5~+50℃,工作介質隨環境溫度不同,選用合適的液壓油(-5~+20℃時采用32#抗磨液壓油(L—HM32),+20~+50℃時采用46#抗磨液壓油(L-HM46)),液壓油加注前需過濾,過濾精度100μm以上。
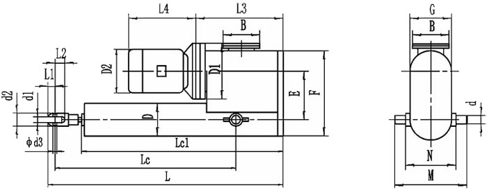
DYTP型平行式電液推桿外形尺寸及安裝尺寸

24小時免費服務熱線:133 9063 0016